Reparatur Kenwood TM-455e
Kürzlich hatte ich über eine Onlinebörse ein defektes TM-455e 70cm Allmode TRX gekauft. Im Alter von 30 Jahren kann bei Geräten schon das eine und andere Auftauchen. Bei der Inbetriebnahme stellte ich fest, dass das LCD Display einen Ausfall aufweist.

Das LCD ist aber am oberen linken Ecken nicht «angelaufen». Dh. es besteht gute Hoffnung dass dies wieder in Ordnung zu kriegen ist. Und in der Tat, nach dem entfernen des Displays und dem Reinigen der Kontaktoberfläche zeigte es nun wieder alle Informationen an.
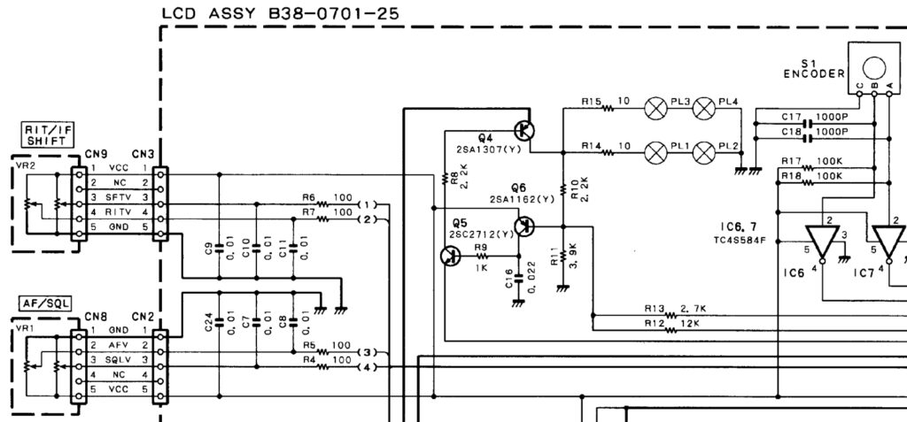
Das nächste Problem ist die fehlende Display Beleuchtung. Dabei muss man beachten, dass es in der Konfiguration eine Einstellung gibt bei der die Beleuchtung ausgeschaltet werden kann!. Im Setup stand der Eintrag auf maximaler Beleuchtung. Also sind vermutlich die Glühbirnen defekt.

Das Schema zeigt, dass zwei Glühbirnen in Serie zu einem 10 Ohm Widerstand geschalten sind. Das Ausmessen bestätigt dass alle Glühbirnen defekt sind. Diese werde ich nun durch LED ersetzen.

Vorab müssen nun die Lampen und die Vorwiderstände ausgelötet werden. Die neuen SMD LED werden nun mit Kupferlackdraht versehen und in die alten Halterungen gesteckt, Vor dem Einlöten muss man im Gegensatz zur Glühlampe auf die Polarität achten. Die SMD LED Kontakte isoliere ich jeweils mit einigen Tropfen Nagellack.

LED benötigen nur einen Strom von ca. 3mA. Dazu muss der Vorwiderstand mittels einer Dekade ermittelt werden. Dabei werden auch im Menu die drei Helligkeitseinstellungen abgerufen bis es einem Gefällt. Ich wählte für den Einbau den Wert von 2.2 KOhm. Im Bild sind erst zwei von vier LED in Betrieb zu sehen.

Das nächste Problem sind die Bedientasten (nicht die Schalter). Diese kleinen Dinge fallen nach vorne heraus. Wenn man nicht aufpasst gehen die verloren und das Gerät wird unbedienbar. Leider ist das ein Problem das bei vielen Geräten auftaucht. Damals verwendete man einen Schaumstoff der sich mit dem Alter auflöst, zerbröselt oder wegfliest.

Der alte Schaumstoff muss restlos entfernt werden. Diesen ersetzte ich durch einen Polystrol-Hartschaum (Depron).

Es benötigt schon seine Zeit diese Schablonen und neuen Schaumstoffe anzufertigen.

Im Bild ist eine loste Taste zu erkennen. Diese Klemmen sich im Schaumstoff ein damit sie nicht herausfallen.

Diese Baustelle ist nun erledigt. Und nein, es gibt noch mehr zu Reparieren. Das Display kann abgesetzt oder im Gerät betrieben werden. Dazu gibt es eine fixations «Klammer» welche wohl auch defekt ist.

Das fehlende abgebrochene Teil ist nirgends zu finden.

Aber hier im Hauptgerät muss es an diesen kleinen Hacken sich einhängen.

Also ran an die Säge und Feile. Ein Stück Aluminiumblech wird nun bearbeitet um die defekte schwarze Arretierung zu ersetzten. Die Justierung und der Zusammenbau folgt nun am Wochenende.
Vy 73 de Beat, HB9THJ
